Flow360을 이용한 Missile 공력 해석 사례 소개
1. N1G 모델 개요
주식회사 클루는 항공/방산 분야에 매우 빠르고 정확한 CFD 솔루션을 제공하기 위해 노력하고 있습니다. 본 사례에서는 초음속 Missile 실험모델인 N1G 모델에 대한 해석 사례를 소개합니다.
N1G 모델은 풍동 실험 데이터가 공개되어 있어 미사일 공력해석 검증을 위해 사용되는 모델들 중에 하나입니다. 검증용 실험 결과는 초음속 풍동에서 수행되어 획득한 실험 결과를 하였습니다. ( 더 자세한 내용은 아래의 참고문헌을 참고하시기 바랍니다)
차세대 CFD Solver인 FlexCompute Flow360 자세히 알아보기
비행 조건
- Mach Number: 2.5
- Angle of Attack: 6.05 degrees
- Altitude: 32808.4 ft (10km)
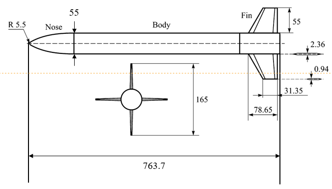
주요 형상 정보
| 구분 | 치수 |
|---|---|
| Model Length | 763.7 mm |
| Model Diameter | 55 mm |
| Fin Span | 165 mm |
| Model Reference Length | 2376 mm^2 |
2. 도메인 및 격자 구성
외부유동 해석을 수행할 때 주로 사용하는 반구형 도메인을 구성하였습니다. N1G 모델에 근접한 영역 (Body Zone)은 N1G 모델 형상 형태로 설정하였습니다. 이를 통해 N1G 모델 표면 주변에서의 복잡한 유동을 포착할 수 있도록 합니다. 충격파 발생 영역(Shock Zone)은 초음속 비행 시에 발생하는 비행체 주변의 충격파를 잘 포착하도록 원뿔 형태의 격자 세밀화 영역을 설정하였습니다.
표면 격자 (Surface Mesh)
N1G 모델의 표면 격자는 144,781개의 Triangle 격자들을 사용하여 구성하였습니다. 격자 구성 정보는 아래의 표와 같습니다.
| 구분 | Element Size (Normalized by Diameter) | Element Size (Absolute Value) |
|---|---|---|
| Missile Body | 4.54 % | 2.5 mm |
| Fin | 1.81 % | 55 mm |
| Body Offset Refinement Zone | 4.54 % | 2.5 mm |
| Cone Refinement Zone | 30.0 % | 16.5 mm |
| Number of Surface Element | - | 144,781 |
Viscous Layer
경계층 모델링을 위한 Layer는 다음과 같이 구성합니다.
| Property | Value |
|---|---|
| First Layer Height | 0.036894 mm |
| Last Ratio | 0.3 |
| Number of Layers | 25 |
| Total Layer Height | 6.8876 mm |
Volume Mesh
체적 격자 (Volume Mesh)는 Tetrahedron 격자로 생성하였습니다. 그리고 Flow360에 입력을 위해서 CGNS 형식의 파일 ( 혹은 UGRID 형식의 파일)로 격자를 출력합니다.
3. Solver Setting
유동조건
유동조건은 비교분석을 위해 William의 논문 Nenad et al, "Aerodynamic–structural missile fin optimization", Aerospace Science and Technology, Vol. 65, 2017, pp 26-45.을 참조하였으며, 아래와 같습니다.
- 자유류 속도: 745.825 [m/s]
- 온도: 221.85 [K]
- 음속: 298.33 [m/s]
- 밀도 : 0.4048 [kg/m^3]
- 점성계수 : 1.4565 E-5 [ N s/m2]
- 받음각: 6.05˚
Navier-Stokes Solver 설정
압축성 유동 해석 시, 해석자(Solver)의 Order를 2단계로 설정하고 바로 해석을 시작할 경우, 초기 유동장이 생성되지 않은 상태에서 고차원의 해석 기법이 사용되어 해석이 불안정하게 진행될 수 있습니다. 이를 방지하기 위해서 해석을 2개의 단계로 나누어 진행합니다. 1 단계에서는 해석자(Solver)의 Order를 First-Order로 설정하여 해석을 수행합니다. 이어서 2 단계에서는 해석자(Solver)의 Order를 Second-Order로 설정하여 해석을 수행합니다. 또한 초음속 유동 해석을 수행할 경우에는 아래와 같이 해석 설정 파일의 navierSotkesSolver 영역에서 "limitVelocity"와 "limitPressureDensity" 설정이 모두 true로 설정되어야 합니다.
fl.NavierStokesSolver(
absolute_tolerance=1e-10,
numerical_dissipation_factor=0.01,
linear_solver=LinearSolver(max_iterations=50),
low_mach_preconditioner=True,
limit_velocity=True,
limit_pressure_density=True,
)
4. 해석결과
Mach Contour
N1G 주변의 마하수 분포를 시각화하면 아래의 그림과 같습니다. 시각화 결과를 통해 N1G 모델의 Nose Cone 부분과 Fin에서 충격파가 적절하게 모사되는 것을 확인할 수 있습니다.
Aerodynamic Coefficients Comparison
아래의 표는 Flow360에서 예측한 미사일에 작용하는 양력 및 항력 계수를 실험 결과와 비교한 것입니다. 실험값(Experiment)는 참고문헌의 자료입니다.